0 0

AWZ626

Artikelnummer: 7500010

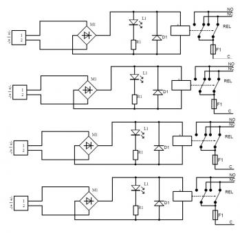
Last-Relaismodul mit 4 Wechsler

  • Relaisplatine zur Umsetzung von OC-Ausgängen
  • 230V Schaltspannung
  • 4x Wechslerrelais bis 6A Last schaltbar
  • inklusive Sicherungen

Das Relaismodul AWZ626 ist für Steuerfunktionen von bis zu vier unabhängigen 230V-Verbrauchern ausgelegt. Mit den 6A Lastrelais und den 6,3A Schmelzsicherungen ist es ideal für Steuerfunktionen bei kompakter Bauweise.

Es dient zur Umsetzung von OpenCollector-Ausgängen auf lastgeführte 230V-Verbraucherkreise wie Beleuchtung, Rollläden, Sektionaltore und vielem mehr, aber auch als potentialfreier Kontakt für Wählgeräte oder Auswerteeinheiten. Die galvanische Trennung des Steuerkreises zum Lastkreis gibt zusätzliche Sicherheit für Ihr System. Der Schaltzustand jedes Relais wird über eine Status-LED angezeigt.

Das AWZ626 wird im Kunststoffgehäuse geliefert, auf der Unterseite ist zur schnellen Montage bereits doppelseitiges Klebeband angebracht.
Garantie
2 Jahre
Schaltleistung
6A max (bei 250V)
Stromaufnahme
33 mA bei 12VDC
Spannungsversorgung
Spule: 10-16V DC/AC -+5 %
Ausgangsspannung
Schaltspannung 30VDC / 250VAC max
Abmessungen
150 x 70 x 30 mm (B x H x T)
Gewicht
200 g
Betriebstemperatur
- 10°C bis 40° C