0 0

S-1

Artikelnummer: 2110050

Aufbau-Magnetkontakt

  • stirnseitige und parallele Montage
  • integrierte Sabotageschleife
  • hoher Schaltabstand
  • unauffällige Bauform
  • Meldertyp NC (Öffner)

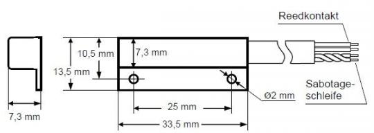
Kleiner Aufbau-Magnetkontakt mit vergossenem Reedschalter und Magnet und integrierter Sabotageschleife. Die Montage erfolgt über Anschrauben oder Ankleben der seitlichen Laschen. Der Magnetkontakt kann überall dort angewendet werden, wo Türen, Fenster oder andere bewegliche Elemente überwacht werden müssen, z.B. zum Schutz oder als Zutrittskontrolle zu bestimmten Räumen, Anlagen oder in Automatiksystemen etc.

Trotz seiner sehr kompakten Bauform verfügt der Magnetkontakt über einen grossen Schaltabstand.
Abmessungen B x H x T
33,5 x 7,3 x 13,5 mm
Anschlusskabel
100 cm
Schaltabstand
18 mm beim Schließen / 28 mm beim Öffnen
Schaltleistung
max. 20 V DC
Widerstand
Übergang: 0,15 &#8486
Gewicht
29 g
Material
Ruthenium (Kontaktmaterial)
Farbe
weiß
Betriebstemperatur
-20 °C bis +50 °C